SBR UU Serisi

SBR UU Serisi

Özellikler

  • Stok Adı

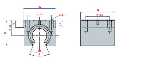
    Model G W L1 M S1 J K h H1 Dinamik Kg Statik Kg Ağırlık (gr)

    Kafesli Rulmanlar Açık  Dar Tip

    SBR 12

    27,6

    40 10 39

    M5

    28 26 17

    7,5

    510 784 100

    Kafesli Rulmanlar Açık  Dar Tip

    SBR 16

    33

    45

    10 45

    M5

    32 30

    20

    11 774 180 150

    Kafesli Rulmanlar Açık  Dar Tip

    SBR 20

    39

    48 12 50 M6

    35

    35 23 11 882 1370 200

    Kafesli Rulmanlar Açık  Dar Tip

    SBR 25

    47

    60 13 65 M6 40 40 27 12 980 1570 450

    Kafesli Rulmanlar Açık Dar Tip

    SBR 30

    56

    70

    16 90 M8 50 50 33 15 1570 2740 630

    Kafesli Rulmanlar Açık  Dar Tip

    SBR 40

    72 90 20 90 M10

    65

    65

    42

    20 2160 4020 1330
Image
Lineer hareket sistemleri, sigma profil, konveyör, mekanik, robotik,  mekatronik ve robot otomasyon sistemleri montajlama endüstriyel modüler sistemler imalatı.

İKİTELLİ MERKEZ

İ.O.S.B Tormak San. Sitesi S Blok
No:22-24 Başakşehir / istanbul
+90 (212) 777 92 60

HADIMKÖY ŞUBE

Orhangazi Mh. Mimsan San.Sit. 
1725 Sk No:80 Esenyurt / İstanbul