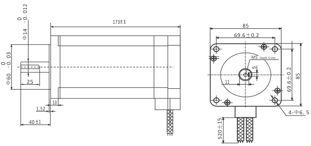
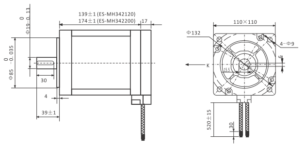
Lineer hareket sistemleri, sigma profil, konveyör, mekanik, robotik, mekatronik ve robot otomasyon sistemleri montajlama endüstriyel modüler sistemler imalatı.
ŞİRKET
İKİTELLİ MERKEZ
İ.O.S.B Tormak San. Sitesi S Blok
No:22-24 Başakşehir / istanbul
No:22-24 Başakşehir / istanbul
+90 (212) 777 92 60
HADIMKÖY ŞUBE
Orhangazi Mh. Mimsan San.Sit.
1725 Sk No:80 Esenyurt / İstanbul
1725 Sk No:80 Esenyurt / İstanbul





